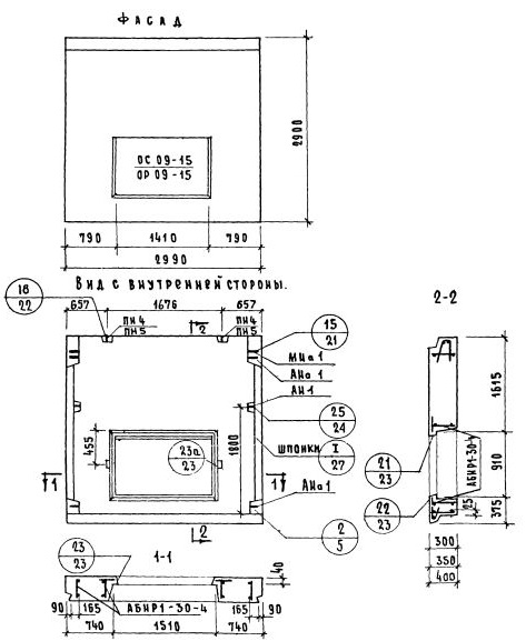
НР1-30.29.35-4

Чертеж изделия:
Характеристики изделия:
ПараметрЗначение
Длина2990 мм
Ширина350 мм
Высота2900 мм
Масса3320 кг
Нормативный документСерия 1.132-1
Цена:
Рассчитать стоимость

НР1-30.29.35-4   Наружная стеновая панель рядовая по Серии 1.132-1.