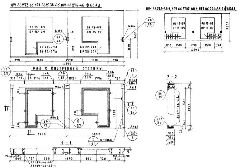
НР1-66.27.4-6бл

Чертеж изделия:
Чертеж НР1-66.27.4-6бл
Характеристики изделия:
ПараметрЗначение
Длина6590 мм
Ширина400 мм
Высота2650 мм
Масса6660 кг
Нормативный документСерия 1.132-1

НР1-66.27.4-6бл   Наружная стеновая панель рядовая по Серии 1.132-1.